24-hour service hotline 180-1268-8278
Tel:18012688278
E-mail:amy.cao@blkspring.com
Address:No. 5F, building 4, Xunyuan Zhichuang Valley, No. 604, Fengtang Avenue, Fuhai street, Bao\\\\'an District, Shenzhen
|
|
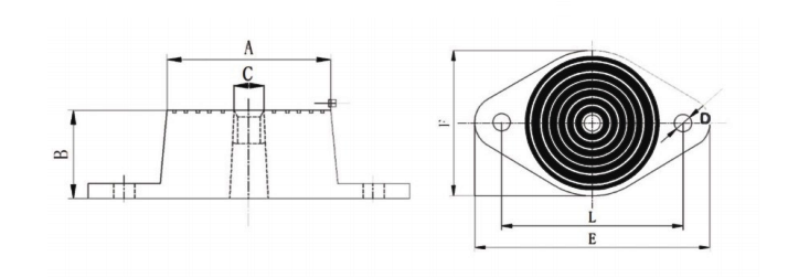
Simple structure design, plus metal parts, easy to install.
Natural rubber provides relatively large static disturbances.
Good vibration damping effect in the 15 Hz (900 rpm) operating environment with vibration frequency - 90% vibration reduction.
Load capacity range from 12 kg to 200 kg
Can be used for heating, ventilation and air conditioning equipment; pumps, fans, compressors, control cabinets.

Type |
A |
B |
C |
D |
E |
F |
L | Maximum load/kg | |||
40degree | 60degree | 75degree | |||||||||
BKDR-1 | 30 | 38 | M8 | M8 | 81 | 41 | 60 | 4 | 12 | 25 | 30 |
BKDR-2 | 44 | 48 | M10 | M10 | 98 | 59 | 76 | 4 | 30 | 60 | 80 |
BKDR-3 | 60 | 71 | M10 | M10 | 143 | 86 | 105 | 6 | 70 | 120 | 180 |
BKDR-4 | 86 | 70 | M10 | M10 | 159 | 102 | 127 | 10 | 190 | 370 | 500 |
BKDR-5 | 108 | 60 | M16 | M12 | 212 | 132 | 165 | 10 | 400 | 800 | 1200 |