24-hour service hotline 180-1268-8278
Tel:18012688278
E-mail:amy.cao@blkspring.com
Address:No. 5F, building 4, Xunyuan Zhichuang Valley, No. 604, Fengtang Avenue, Fuhai street, Bao\\\\'an District, Shenzhen
|
|
Characteristic:
? Pneumatic anti-vibration device, in line with JISD-4101 pressure test standard.
? Natural frequency 3Hz~5Hz, maximum use pressure 4.5kg/cm^2.
? The body adopts Neoprene Rubber, and the integral molding has good air tightness.
? Anti-vibration effect is extremely high, the general equipment efficiency can reach above 97%.
? Load range 50~9000 kg.
? Oil caps can be added to prevent general oil corrosion.
Application:
? General punch, air compressor, chiller, pump.

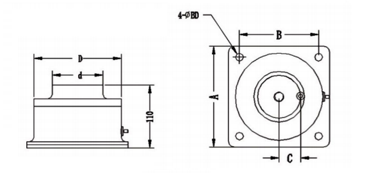
model | Load range Kg | size(mm) | bolt | |||||
A | B | C | ΦD | Φd | ΦBD | |||
BK-A-090 | 50-100 | 125 | 100 | 0 | 100 | 50 | 12 | M10 |
BK-A-150 | 100-200 | 125 | 100 | 0 | 100 | 60 | 12 | M12 |
BK-A-300 | 200-400 | 160 | 125 | 0 | 138 | 90 | 12 | M12 |
BK-A-600 | 400-700 | 200 | 160 | 0 | 164 | 110 | 12 | M12 |
BK-A-800 | 700-900 | 220 | 180 | 0 | 191 | 132 | 14 | M16 |
BK-A-1100 | 900-1200 | 250 | 200 | 0 | 212 | 150 | 14 | M16 |
BK-A-1500 | 1200-1600 | 300 | 250 | 0 | 263 | 190 | 14 | M16 |
BK-A-1900 | 1600-2000 | 350 | 300 | 0 | 314 | 240 | 14 | M16 |
BK-A-2700 | 2000-2800 | 400 | 350 | 90 | 353 | 270 | 16 | M20 |
BK-A-3400 | 2800-3500 | 500 | 450 | 90 | 412 | 330 | 16 | M20 |
BK-A-5900 | 3500-6000 | 530 | 470 | 125 | 502 | 390 | 20 | M24 |
BK-A-8900 | 6000-9000 | 650 | 590 | 150 | 602 | 490 | 20 | M24 |